现在许多
开关电源的输入端均设有110V/220V的交流选择开关。单凭一个开关怎样实现110V/220V两种不同电压的转换呢?
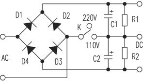
大多数开关电源的输入端均选用如图1所示的输入电路。
图1
当开关K置于接通状态时,它可适用于110V交流电压。因为当正弦交流电压处于正半周时,由二极管D1整流,滤波电容D1被充电至峰值电压为110V AC×(根号2)≈150VDC。同理,在负半周时,由二极管D4整流,电容C2被充电至150VDC,所以输出端的总电压是C1、C2电压的总和为300VDC(即为两个半倍整流叠加成的)。而当开关K断开时,二极管D1~D4构成全桥整流器,输出总电压也为220VAC×(根号2)≈300VDC,所以开关K置于不同位置时110V和220V对电源的作用是一样的,即实现了对110V/220V两种不同电压的选择。
根据以上分析,在选择元器件时,二极管最大电流容许值,应至少能承受最大输入电流的二倍以上;考虑其峰值的反向电压,耐压应在600V以上。电容器的耐压应至少在200V以上。
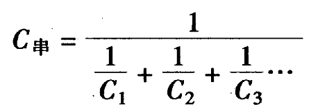
根据输入结构可知输出端等效电容器的值为C1与C2的串联之后的容值,所以当选用容量为C的电容时,C1和C2的值应为2C,而C值与电路的工作电流大小有关,应视功率而定。


直流电源_逆变器_逆变电源_变频电源_可编程直流电源_迅昌电力电子有限公司
该文章转自网络,如有侵犯到您的权益请联系我们及时删除。